欢迎进入新乡市赛诺菲尔过滤技术有限公司官方网站!
过滤产品制造商
提供系统净化解决方案
24小时服务热线:
17837318777
首页
关于我们
产品中心
新闻中心
客户案例
联系我们
欢迎访问“新乡市赛诺菲尔过滤技术有限公司”官方网站!
快速导航
首页
关于我们
产品中心
新闻中心
客户案例
联系我们
首页
关于我们
产品中心
新闻中心
客户案例
联系我们
产品分类
过滤器
滤芯
过滤设备
滤油车
液压辅件
24小时服务热线:
17837318777
微信咨询
当前位置:
首页
>
产品中心
>
过滤器
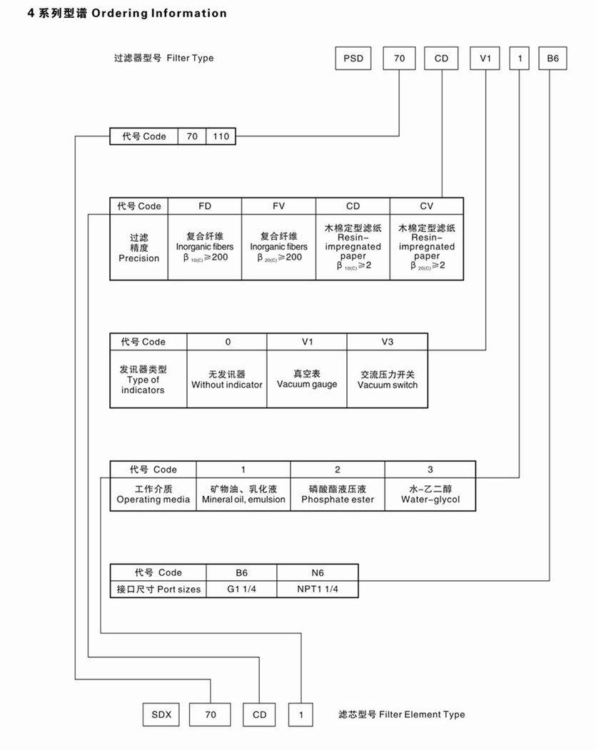
PSD系列自封式吸油过滤器
详细介绍:
上一篇:
PSC油箱顶置吸油过滤器
下一篇:
PXNJ系列油箱内吸油过滤器
备案号:豫ICP备2021013737号-1
首页
电话
TOP
返回顶部
在线客服
17837318777
扫一扫 关注我们